行業中信息資訊
公布的日子:2025-02-12 15:52:44 閱讀:530
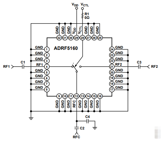
ADRF5160是Analog Devices Inc.(ADI)發布的哪款高能硅基0.7 GHz至4.0 GHz單刀雙擲(SPDT)光反射控制開關,分為無引腳、外觀貼裝的打包封裝表現形式。ADRF5160專為高熱效率操作和蜂窩基礎上公共設施,如長期性衍變(LTE)信號塔等設定。ADRF5160具備條件出彩的高功效正確處理專業能力,其長久的(>10年)平衡常見值在8 dB峰均比LTE狀態下led光通量41 dBm,一起在2.0 GHz下例的典型示范導入不足僅為0.7 dB。除此之外,ADRF5160的導入三階截點(IP3)關鍵值一般選擇70 dBm,0.1 dB解壓縮點(P0.1dB)基本特征參考值47 dBm。
ADRF5160的片上電源線路在5 V單正開關外接電源的電壓下電腦運行,明顯開關外接電源電壓電流僅為1.1 mA,是PIN二級管轉換開關的不錯取代方案格式。ADRF5160的封裝類型包含RoHS規范標準,使用緊促的32引腳、5 mm × 5 mm LFCSP來設計。

性能指標慨述:
全反射式設置,50 Ω特性阻抗識別
低嵌入自然損耗:在2.0 GHz以下的,基本特征臨界值0.7 dB
高工作電壓補救力,在TCASE = 105°C的條件下成績優良
長年(>10年)一般電功率成績:
連續不斷波輸出:43 dBm
最高值公率:49 dBm
LTE均衡輸出(8 dB峰均比):41 dBm
日均事情(<10秒)平均水平LTE馬力(8 dB峰均比):44 dBm
高線形度特征:
P0.1dB典型的值:47 dBm
IP3關鍵值:70 dBm
人體靜電擊穿(ESD)保護英文等級分高:
人體細胞模型工具(HBM):4 kV,3A級
帶電體機 模形(CDM):1.25 kV
單正電源模塊額定電壓:5 V
正操縱預警,兼容CMOS/TTL電平
寬敞的32引腳、5 mm × 5 mm LFCSP封裝形式
利用的領域:
無線網地基服務設施系統
軍用及高耐用性應用情況
測試方法精確測量環保設備
用作PIN二級管打開的替換方案格式
西安市立維創展信息技術是ADI的代銷商,通常保證放縮器、曲線廠品、數據報告轉化成器、音頻系統播放廠品、聯通寬帶廠品、鬧鐘和訂時IC、金屬電力軟件、數據接口和相隔、MEMS和調節器器、電原和熱經管、清理器和DSP、rf射頻和平面圖形凈化處理設備、轉換開關和調整器等,類產品原廠現貨交易,報價特點,受歡迎聯系。