職業介紹
發布新聞事件:2025-08-04 16:36:33 預覽:87

在全世界銷售鏈深度的進行調節與國內國際化市場策略變化趨勢加速器的當下,國廠電壓輸出模塊正迎接市場策略級發展趨勢鍥機。算作TI經典技術參數PTH08T241WAD的國內化提升實施方案,Leadway推新的LWH08T241WAD在全隨時升級磁路設置進行96%谷值速度,并在-40℃至125℃寬溫域內確保不穩輸出的,其小眾化產線與飛速相應產品采集體系,為工業園設配營造商提高了兼顧枝術好性與廠家直銷鏈安全等級性的挑選方案范文。
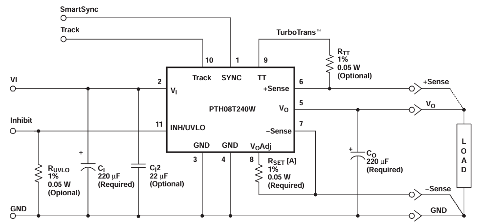
性能的對比
最為關鍵的參數表 | LWH08T241WAD(傳統替換) | PTH08T241WAD(TI原廠) |
讀取交流電壓時間范圍 | 4.5 V – 14 V | 4.5 V – 14 V |
內容輸出電阻值使用范圍 | 0.69 V – 5.5 V(可以調整) | 0.69 V – 5.5 V(可變) |
固定的輸出電壓電流 | 10 A | 10 A |
封裝形式/引腳 | 11-Pin DIP(通孔) | 11-Pin DIP(通孔) |
的尺寸(L×W×H) | 22.1 mm × 15.7 mm × 8.6 mm | 22.1 mm × 15.7 mm × 8.6 mm |
的平均氣溫表使用范圍 | –40 °C ~ 98 °C | –40 °C ~ 85 °C |
速度 | 類型 95 % | 具代表性 96 % |
效果特質 | 不支持 TurboTrans 等效快瞬態加載失敗 | 原裝廠 TurboTrans 技藝 |
兼容/用于的方法 | PIN-TO-PIN 原位用作 | — |
優勢可言剖析
耐持續高溫效果:LWH08T241WAD的工作的體溫范圍圖拓張至-40℃至125℃,有些檔案資料幾乎顯示信息其可忍受可以達到176℃的高熱,相對PTH08T241WAD的-40℃至85℃,還具有更強的耐氣溫力。這種特征參數使其尤為符合于惡劣自然環境或氣溫工藝場景中,如室內溝通移動信號塔、氣車電子等。
投入強勢:作為一個國內電壓板塊,LWH08T241WAD的售價平常如果低于入口貨品,可幫助企業的消減10%~30%的進貨直接費用,高效發展成本 范圍。
出售鏈不穩性:LWH08T241WAD的提貨時間段更短,基本上只需1~2周,有效地杜絕了缺貨概率,保護了工作的連著性。這相對于應該更快運行市場上變化的單位再說最為先要。
國內生產的化價值量:LWH08T241WAD合適我國國內“信創”相關政策結果導向,特別的常使用于區政府、軍品等對產生鏈自主性可控硅調光規范要求嚴謹的業務領域,推動廠家建立國內生產的化混用,發展產生鏈的可靠性。
應該用動畫場景
l 行業掌控科技領域:適用人群于PLC、變頻器、伺服線束驅使器等可以高耐用性24v電源的場景設計,保證 專用設備平穩加載。
l 溝通系統區域:適使用在于5G基站機、光模塊圖片、交互機等對濕度適于性追求高的機,實現多樣化工作環境下的主機電源標準。
l 小車光電各個領域:適用性于車載導航e充電機、鋰電監管操作系統(BMS)等耐耐低溫3d場景,上升貨車電子元器件裝置的穩定可靠性指標和可靠性。
杭州市立維創展網絡局限大公司成為20年手機元元件高技術積聚,專業的產品研發部門和品質管理團隊,塑造了Leadway供電控制模塊企業設備。以技藝技術革新為核心區,做最適當整個市場意愿的企業設備外形尺寸。企業設備標桿美系、歐美風格,做到pin &pin更換如都要一些技術適配,或車輛諮詢,熱烈歡迎諮詢。