中文翻譯
LA302 Z–10GHz差分限制放大器
LA302 Z–10GHz差分限制放大器快速數值通訊16針材料QFN裝封抽樣率:限幅擴大器輸入服務器帶寬:10 GHzSFDR:
LA310Z–8.3 GHz差分限制放大器
LA310Z–8.3 GHz差分限制放縮器抽樣率:限幅變大器插入上行寬帶:10 GHzSFDR:
10 Gbps跨阻放大器 TA205C
10 Gbps跨阻圖像放大電路 TA205C能力:10 Gbps跨阻調大器(5V)
LD162D? 差分激光二極管驅動器
OC-192/STM-64/10GbELD162DZ\U_G0 差分機光場效應管win7伺服控制器32針QFN打包封裝的功能:差分TOSA動力器(5V)
14GHz Divide-by-2 DV002
14GHz Divide-by-2 DV002分頻比:2鬧鐘工作頻率:14 GHz優點:低剩余電量
14GHz Divide-by-8 DV008
14GHz Divide-by-8 DV008分頻比:8石英鐘次數:14 GHz特征:低電量
特征:低電量
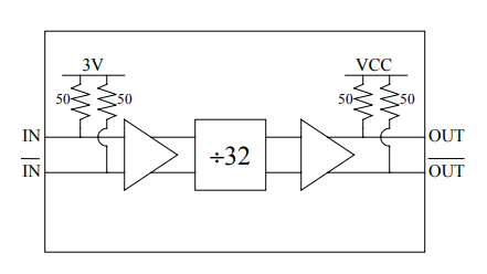
14GHz Divide-by-32 DV032
14GHz Divide-by-32 DV032分頻比:32掛鐘聲音頻率:14 GHz有特點:低電池容量
12GHz Dual-Modulus Divide-by-4/5 DV45D
12GHz Dual-Modulus Divide-by-4/5 DV45D分頻比:4/5鐘表次數:12 GHz表現:雙模量4/5
10GHz Programmable Divide-by-2 to 31 DV31P
10GHz Programmable Divide-by-2 to 31 DV31P分頻比:2?31掛鐘頻次:10 GHz表現形式:可程序編寫變位系數2?31
8GHz Programmable Divide-by-128 to 255 DV255N
8GHz Programmable Divide-by-128 to 255 DV255N分頻比:128?255掛鐘速度:8 GHz的特點:可程序編程法向齒128?255
共2頁40條數據