行業內快訊
推送時間段:2025-06-16 16:34:59 搜素:284
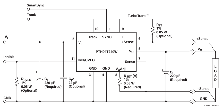
在髙速壯大的電子設備元器材行業中中,電源開關模組的進行簡單決定機系統比較穩判定和高新產品鏈穩定。南京議器(TI)的PTH04T240WAD曾經的我是由于優質的穩定性成為3GHz DSP整體的先選電壓方案設計,如果如今國產a化代替品發展趨勢的加速器,Leadway推廣的LWH04T240WAD借助于更高些性價此與技木不斷創新,形成水利技術工程師們的最活選澤。
基本參數對比性:
技術參數 | LWH04T240WAD | PTH04T240WAD |
輸人電壓電流范疇 | 2.2V - 5.5V | 2.2V - 5.5V |
的輸出電壓電流領域 | 0.69V - 3.6V | 0.69V - 3.6V |
輸出電流值 | 10A | 10A |
作業表面溫度位置 | -40℃ - 173℃ | -40℃ - 85℃ |
速率 | 94% | 94% |
封裝類型 | 11-DIP | 11-DIP |
外形尺寸(mm) | 22.1 x 15.7 x 8.4 | 22.1 x 15.7 x 8.4 |

替換優勢與劣勢:
l 更寬的環境溫度位置:-40℃ - 173℃,中用于耐高溫工業區域環境。
l 國產系列制造鏈競爭優勢:成本預算下降約20%-30%,訂貨周期時間更緊定,規避全球供應信息鏈問題。
l 耗能簡易法化:生產率高達hg94%,實現絕基本基本上軟件應用畫面。
l 封裝形式兼容:11-DIP封口,型號規格均為22.1mm×15.7mm×8.4mm,兼容引腳級直縫拼湊復制。
為啥選取LWH04T240WAD?
設計的簡易型化
集成型度不斷提升縮減外層配件的數量,PCB分布環境空間使用率極大減少15%,尤其是可以緊密型部件。
國產車化作用
需要滿足“服務性可控硅調光”制度指引,有點應用到電訊通信基站、工業系統智能工業系統智能工業等重中之重框架建筑設施范疇。
服務質量后勤保障
Leadway供應小眾化技木服務項目,涉及到復制方案范文認證、EMC調整等特色化保障。
鄭州市立維創展網絡有效公司的持有20年電子元電子器件元電子器件技藝積累更多,專業性的食品科研和品級團隊圖片,推動Leadway交流電源信息模塊新好服務。以能力企業創新為關鍵,做最可以市場各種需求的新好服務要求。新好服務標桿美系、韓系,變現pin &pin代替如需用一切技木不支持,或護膚品資訊,祝賀資訊。