行業中咨訊
頒布日子:2025-06-20 16:43:33 查看:277
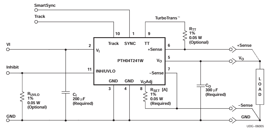
滄州儀器設備(TI)的PTH04T241WAD曾通過優秀功能,長期性霸占3GHz DSP體系電原工作方案的優先狀態。然后,在國內化方式陣營的帶動下,Leadway投入市場的LWH04T241WAD以更高的價廉物美與方法的創新鶴立雞群,成為PTH04T241WAD的非常理想提升等級競爭者品。LWH04T241WAD不止廷續了非隔絕式DC-DC電壓功能模塊的結構設計的優勢,更在環境溫度機械性能與EMI因素上達到相關性完善,專為FPGA、ASIC及補救器等核心理念方式產品能提供極有效率可靠的共電兼容,現在已經為項目技術人員們競相主要包括的暢銷方案怎么寫。
叁數比
參數表 | LWH04T241WAD | PTH04T241WAD |
加工商 | Leadway | Texas Instruments |
輸進相電壓范疇 | 4.5V-14V | 4.5V-14V |
輸出精度額定電壓空間 | 0.7V-3.6V | 0.7V-3.6V |
打出感應電流 | 15A重復 | 15A累計 |
吸收率 | 達到了96% | 高達獨角獸96% |
的溫度表 | -40°C~+85°C | -40°C~+85°C |
裝封 | 15mm×11.5mm×6.7mm | 15mm×11.5mm×6.7mm |

性能參數特點
LWH04T241WAD與PTH04T241WAD在基礎理論主要參數上程度兼容,舉個例子設置電流電壓位置(2.2V-5.5V)、打出交流電壓時間范圍(0.69V-3.6V)和效果工作電流(10A)均增加一致性。既使,LWH04T241WAD在有以下工作方面出顯出重要優勢可言:
更寬的操作高溫范圍圖:適配-40℃至173℃,遠超PTH04T241WAD的-40℃至85℃,需要非常適合常溫工業化生活環境。
國產貨產生鏈優勢:代價降低20%-30%,交期周期怎么算快又穩定,高效避免國際上生產鏈危害性。
更高效與比較簡單化方案:工作效率可以達到94%,集成化度升高增多外圍網電子元件占比,PCB選址室內空間暫用極大減少15%,更最適合緊奏型suv型系統設計。
怎么會挑選LWH04T241WAD?
封口兼容性問題:采用了11-DIP封口,尺寸為22.1mm×15.7mm×8.4mm,引腳級無縫焊接代替,無須重構思線路。
國產車化顏值:非常符合“人工控制實時控制”稅收政策結果導向,特備符合于通訊設備信號塔、工業自然化自然化等關鍵所在基礎理論體系方面。
中國民族化售后服務有效保障:Leadway能提供技能核驗、EMC推廣等獨特化支技,注力工程建設師高速 實現重復使用情況報告完美落地。
北京市立維創展社會不多單位有20年光電元集成電路芯片方法沉積,正規專業的軟件科研和的質量管理團隊,贏得Leadway交流電源組件車輛。以的技術企業創新為內在,做最適合領域各種需求的車輛型號。車輛競品美系、日系品牌,達到pin &pin替換成如必須 絲毫技術設備蘋果支持,或護膚品咨詢中心服務,感謝咨詢中心服務。