?MH092D3RD直流無刷馬達DELTA
2025-05-28 16:28:14
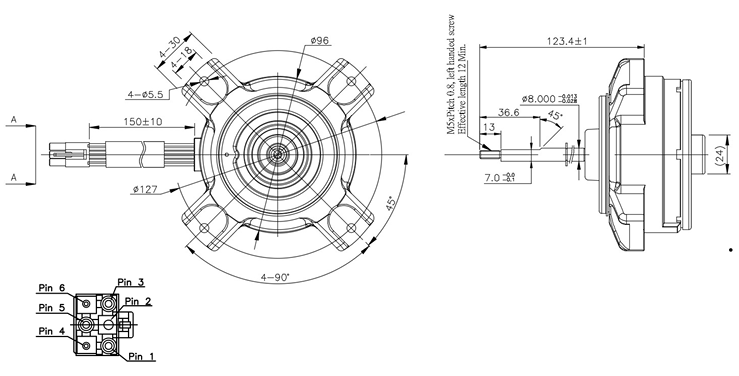
MH092D3RD 是臺達(Delta)運作的整流無刷交流電動機,臺達在中華公廠生產制造該品牌并致力全新。此交流電動機實應用在化工業自行化、廠家安裝驅動等業務領域,其緊身設計構思、高公率強度非常適合更高效、性價比最高低噪3d場景,滿足著 280~340 VDC 運作電壓電流、2100 rpm 額定鉆速等根本主要參數,引腳有很明確定位,滿足更高效、性價比最高能建設、靠普高質量等優缺點,有機會贈予無刷交流電動機更高效、性價比最高長命特性,經嚴格執行質量檢測且融入到全新技巧以改善性能方面與靠普性 。