AVP和AVN系列超高壓輸出電源模塊 PICO產品 原裝現貨
2019-10-17 11:31:29
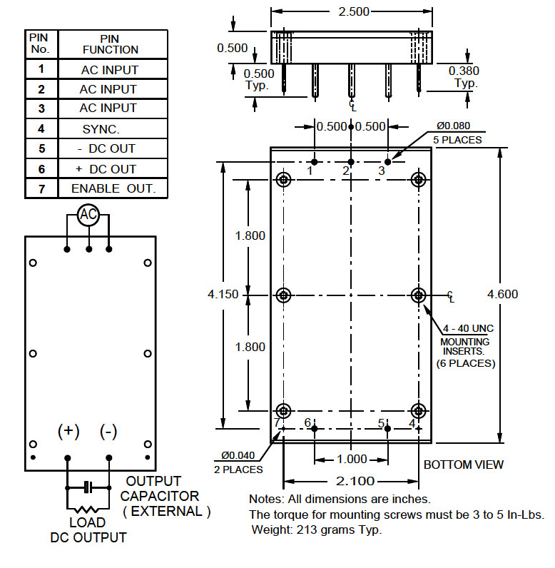
AVP和AVN類型較高壓的工作的輸出電源線組件圖片適配器信息組件圖片是PICO品牌的加上式DC-DC改換成器,AVP類型電源線組件圖片適配器信息組件圖片與AVN類型電源線組件圖片適配器信息組件圖片都類屬超小改換成器,超小體積太,權重僅5g,選取超小封口封口,較高的工作的輸出直流電壓在6,000 VDC至10,000 VDC,具備高可靠系數性,的工作水溫面積-25℃~ +70℃,并且不需要熱量散發片或電氣成套降額