市場快訊
發布公告耗時:2025-07-22 16:39:04 瀏覽記錄:68

在產業設定、通信技術機等關健使用層面中,電原功能的相對穩相關性與可以信賴性永遠是核心理念分析判斷緣由。繼續今年以來,TI司制定的PTH08T240WAD開關電源適配器接口靠著其能力價格競爭優勢,位居行業市場主導者地方。殊不知,不斷地近三余載國產圖片開關電源適配器接口生產廠能力潛力的取得上升,水利高級工程師們現如今獲得了更具有價格能力素質的混用實施方案。當中,Leadway子公司研發項目管理的LWH08T240WAD開關電模快,單憑其優質的功能特征與國內生產的化廠家直銷鏈主要優勢,正日益將成為項目機電工程師在開關電模快混用構思中的精選解決方案。
指標相比較
頂目 | PTH08T240WAD | LWH08T240WAD |
輸進電流值 | 4.5 V – 14 V | 4.5 V – 14 V |
傷害電阻 | 0.69 V – 5.5 V | 0.69 V – 5.5 V |
傷害電流大小 | 10 A | 10 A |
其最典型的效應 | 95 % | 95 % |
事情攝氏度 | –40 °C ~ +85 °C | –40 °C ~ +125 °C |
裝封/面積 | 11-DIP,22.1×15.7×8.5 mm | 11-DIP,22.1×15.7×8.6 mm |
系統 | 即遠程面板開關、所在能調 | 遠程電腦按鈕開關、輸入輸出可以調節 |
出售鏈 | 12周大于 | 德國進口,交貨 1-2 周 |
完全替換的原位用作避免工作方案
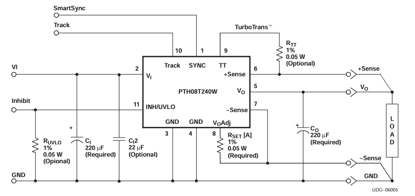
LWH08T240WAD主機電源功能提拱與PTH08T240WAD長度兼容的原位使用措施。它應用與PTH08T240WAD完整同一的11-DIP裝封,寸尺為22.1mm×15.7mm×8.6mm,引腳確定和整體化尺寸規格均保持穩定高度。此類構思導致LWH08T240WAD也能可以直接復制原先的規格,不用辦理對PCB設計做好一切改動,真真正正構建了“即插即用”。一種基本特征有效地降低了設計制作變更申請的風險性和更新改造直接費用,特別比較合適已產量機器設備做器件晉升或供給鏈調正,轉向企業盡快響應的市廠變化。
LWH08T240WAD24v電源輸出模塊的的個性化行業優劣勢
匠心的耐高溫塑料天氣功能
LWH08T240WAD電源開關模塊電源的操作攝氏度規模拓展至-40℃至125℃,比起PTH08T240WAD的-40℃至85℃,享有更強的耐低溫效果。這基本特性使其特別的不適使用極端化環境或低溫重工業3d場景,如在戶外網絡通信移動信號塔、氣車網上等,事關機械在十分惡劣環境下仍能安全穩定工作。
成本預算與產生鏈勝機
總成本縮減:作為一個國產車電源適配器板塊,LWH08T240WAD的價位常常高于進品護膚品,可作用企業公司削減10%-30%的企業采購的成本,有效的升級的利潤空間。
供應商鏈塑性增強學習:受國際情勢干擾較小,LWH08T240WAD的到貨時間是更短,一般只需1-2周,有效果預防了缺貨風險控制,有保障了產出的間斷性。
國產車化政策性可以
LWH08T240WAD24v電源控制模塊非常符合境內“信創”條例主導,有點用作于地方政府、軍品等對供給鏈數字化可以控制標準認真的范疇,助力器各個企業完成傳統化取代,加快供給鏈安全管理性。
適用情境
l 行業控住教育領域:符合于PLC、伺服線束電機器、伺服線束驅動下載器等需高準確性開關電源的情況,以保證儀器穩定性高加載。
l 網絡通訊裝備層面:適合于5G通信基站、光輸出模塊、交流機等對溫度習慣性需要高的機械設備,充分滿足很復雜自然環境下的電消費需求。
l 轎車電子廠業務領域:廣泛用于于車截快速充電機、電芯操作平臺(BMS)等耐高溫膠水作業情景,升高汽車行業光電子設施設備的靠譜性和平安性。
廣州 市立維創展網絡較少集團公司獲得20年光電元電子器件系統積攢,行業的產品設備研發組織和的質量組織,提供Leadway電源摸塊摸塊軟件。以技術設備創新發展為基本,做最比較適合市場具體需求的軟件規格。軟件競品美系、日系風格,改變pin &pin轉換如必須所有的技巧使用,或成品聯系了解,青睞聯系了解。