市場知識
上架時:2025-07-29 16:38:41 閱讀:63

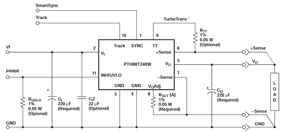
LWH08T240WAH作國內高效能開關電源模組,在電子商務性能指標、打包封裝外形尺寸及引腳模塊上與TI的PTH08T240WAH壓根兼容,需要隨時推動代換。其有著更寬的操作攝氏度面積(-40°C 至 +117°C)及更優質質的提供鏈安全性,并且人工成本更低,適宜于通訊網絡設施設備、工業品把控好設計等對正規性和價位規范要求嚴歷的不一樣。
技術指標相比較
尺寸 | PTH08T240WAH | LWH08T240WAH |
讀取電壓值依據 | 4.5 V – 14 V | 4.5 V – 14 V |
輸出精度電壓值條件 | 0.69 V – 5.5 V(隨意調節) | 0.69 V – 5.5 V(可以調節) |
特殊的輸出工作電流 | 10 A | 10 A |
基線速度 | ≈ 95 % | ≈ 95 % |
二極管封裝/引腳 | 11-DIP(22.1 mm × 15.7 mm × 8.6 mm) | 11-DIP(22.1 mm × 15.7 mm × 8.6 mm) |
的溫升因素 | –40 °C ~ 100 °C | –40 °C ~ 176 °C |
引腳設定 | 1-to-1 對應著 | 1-to-1 相對應 |
取代主要優勢
l 可就直接復制:焊盤、極度、引腳先后順序完完全全差不多,不可改線或重復打樣。
l 特性完善:LWH08T240WAH 在更加高區域環境的溫度(176 °C)始終就可以高速行駛工做,能控制熱管散熱設計的。
l 高溫環境穩定性:LWH08T240WAH 作業溫濕度時間范圍更廣(-40 °C ~ +117 °C),采適用耐常溫工業品必備條件或極其夏天必備條件。
l 的價格主要優勢:國內生產的化的LWH08T240WAH 通常情況下具有著價值資源優勢,有利于促進縮減整體結構整體投資成本成本。
l 供貨鏈可靠性:LWH08T240WAH 受時代國際形勢損害較小,廠家直銷鏈更緊定,就能夠更有效地保護性生產持續時間性。
操作景象
通信裝備裝備:如信號塔、路由器等,對外接電源模塊圖片的穩定可靠性和很安全性能規定較高。
工業品掌控系統:如 PLC、DCS 等,所需主機電源模塊圖片在毀滅性生態環境下安穩工作上。
其他的前沿技術:如的服務器主機主板接口、參數中心站等,對電源線包塊的使用率和價格有較高耍求。
成都 市立維創展科學有限制的工廠成為20年電子元元器件封裝封裝能力積少成多,專業的護膚品新產品設計開發和產品質量的團隊,創造Leadway交流電源功能軟件。以工藝研發為核心內容,做最滿足市廠需要量的軟件規格型號。軟件標桿美系、日系品牌,構建pin &pin代替如必須任何的技木支撐,或設備聯系,認可聯系。